Summit Brick Company Sizing

Summit Brick Company offers a large selection of different sizes. Please don’t hesitate to contact either of the plants if you have any questions or design needs.

image

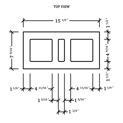
Dimensions are specified by width (thru the wall), height and length.

Uniwall indicates coring designed for vertical reinforcing.

Due to variations in the manufacturing process and coring, there can be no guarantee that everything shown here is exact.

Core sizes shown here are the maximum size that will be found in a production run for engineering design purposes.

Please do not hesitate to contact the plants if you have any questions on coring or sizing.

All of the clay brick manufactured at Summit Brick Company meet current ASTM standards and have a Severe Weather Rating.

Below are size drawings of some of our most common sizes from the Pueblo Plant. Please see downloads for complete lists. Not all colors come in every size, minimum quantities often required.

Modular

Closure

Summit Brick Company | Performance King Brick Size

Performance King

Superqueen Uniwall

Norman

Utility Norman

Super Four Inch

Super Eight Inch Uniwall

4 x 8 Paver

Modular Paver

Thick Split 4 x 8 Paver

View or download our complete lists of offered sizes.

Technical Data

Pueblo Facebrick Sizes

Pueblo Structural Sizes

Pueblo Plant Paver Sizes

Below are size drawings of some of our most common sizes from the Lakewood Plant. Please see downloads for complete lists. Not all colors come in every size, minimum quantities often required.

Modular

Norman

View or download our complete lists of offered sizes.

Technical Data

Lakewood Plant Facebrick Sizes

Please contact the appropriate plant for size availability. Thank you for choosing Summit Brick Company, and we looking forward to hearing from you!